
清空記錄
歷史記錄
取消
清空記錄
歷史記錄



一、概述
電線電纜行業目前正在走向更高的自動化技術層次,高精度,高可靠性的需求迫使行業對動力放線架系統的持續改進。在電線電纜行業中,常用的動力放線架根據樣式可分為立式放線架和臥式放線架,都是放線裝置,只是結構不同而已;變頻器可控制電機達到放線速度的快慢,從而來提高工藝水平生產效率,保證工藝質量,從而達到收益較大化。在放線工藝中變頻器成為了不可或缺的設備,行業前期,對應的變頻器主要依賴進口品牌如ABB,西門子,隨著我國工業不斷進步,國產變頻具備更高的性價比,更低的維護成本,和更快更優的服務使得這個行業越來越國產化,如科元變頻器。
二、動力放線架整套設備組成及工作原理
動力放線機放2條線(或者多條線),放線經過平衡桿機器,通過判斷平衡桿的位置來實現放線機是正轉或反轉或處于零點停止,經過平衡桿后的線會進入絞線機,將2根線(或者多條線)絞在一起,實現產品的生成,比如我們常用的網線就是可以通過動力放線架來實現生產。

三、動力放線架設備實現的功能
動力放線架整套設備要實現:在啟動找時反饋桿能能夠快速準確的找到零點;在運行時動力放線架的穩定放線;在停機時能夠準確保證線的拉緊度。
以下為某機械廠動力放線架的要求:
(1)擺桿在中間時,電機停止(俗稱:零點位置);
(2)擺桿在下面是電機反轉,而且至大頻率不超過5HZ;
(3)擺桿在上方時,電機正轉,至大頻率為30HZ,而且反應時間要快;
(4)擺桿向上或者向下時,不能碰到限位點;
(5)在自動找零點的時候,擺動幅度不能太大,能快速準確的找到零點;
(6)在停機時,線不會松,還是依舊是拉緊的狀態。
四、KV600在動力放線架上的應用
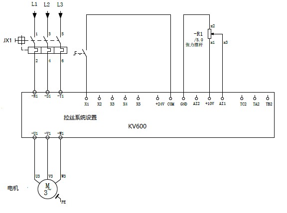
要實現以上動力放線架的功能,可以用KV600變頻器的PID功能來實現,先找反饋桿零點(物理位中間,此時PID輸入可設置為50%),反饋桿接入PID的反饋,通過反饋桿偏移零點來上或下實現正反轉,而要實現其他功能可以調PID相關參數(PID增益、PID反饋等)等來實現。
變頻器接線圖如圖1

KV600設置參數需作適當調整
五、總結
動力放線架上運用的是變頻器PID控制功能,之前在動力放線架上采用的是KV300變頻器專機,能實現動力放線的要求,但使用KV600通用變頻器在動力放線架上控制性能更好,因為我司在KV600通用變頻器上優化了PID控制算法,使得PID控制性能好,精度高,動態響應快,從而能夠實現可靠的過程控制,保證過程控制的可靠性。
